Reliant Wiring Diagrams and Specification Sheets
Reliant Rialto wiring diagram

Regal Car and Van
Reliant Regal 3.25 Car and Van 600cc Wiring Diagram Please note the 700cc colour code is the same as 600cc

Reliant Regal 3.30 Car and Van 700cc Wiring Diagram

Regal 3/30 saloon and Supervan three van specification sheet

Robin/Super Robin Saloon and Van
Robin 850 Mk1 Robin wiring diagram
Robin 850 specification sheet

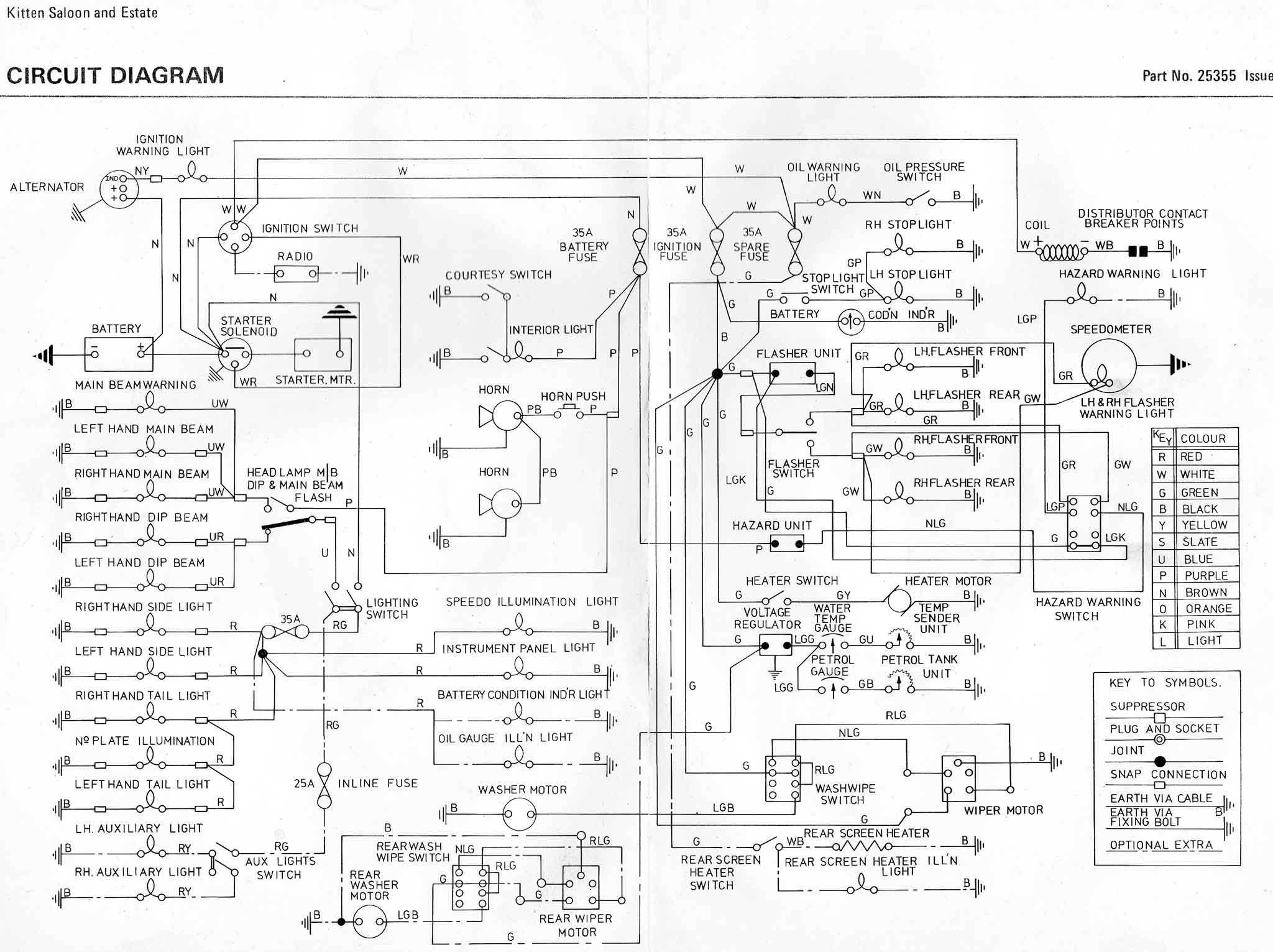
Kitten Saloon and Estate
Reliant Kitten Saloon, Estate and Van Wiring Diagram

Fox
Reliant Fox Wiring Diagram covers most of Tempest Asquith Vantique Mk2 and Mk3 Robin.
Rebel

Ant
Reliant Ant / Melford / BTB maintenance sheet

Bond Bug wiring diagram






